|
|||||||||||||||||||||||||

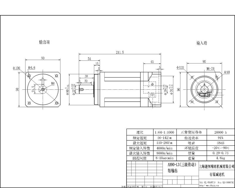
產品介紹:齒輪材質20CrmoTi全部磨齒,精度5-6級
內齒圈42Crmo進口數控插齒機插齒 精度6-7級
輸出軸40Cr調質淬火處理
漣恒行星減速機優勢:為同軸式方形法蘭輸出,具有精度高、鋼性好、承載能力大、
效率高、壽命長、噪音低、體積輕小、外形美觀,安裝方便、定位精準等特點,適用于交流伺服馬達、直流伺服馬達、步進馬達的減速傳動。



訂貨型號需知:如按以上圖紙定的產品,為我司標準接口,貨期為1-5天可以出貨
如輸入端電機尺寸與以上圖紙不符,請聯系客服,定做貨期5-10天可以出貨
如輸出輸入端尺寸與以上圖紙不符,請聯系客服,定做貨期5-15天可以出貨
煩請一定提供電機型號(電機軸,定位臺階,安裝孔距,安裝孔徑)產品使用說明:本產品為終身免維護產品,無須更換油脂,使用壽命在正常負載下為20000小時(正常8小時5天制為10年)






本廠統一包裝箱,且包裝盒采用進口紙箱材質,用戶無需擔心產品運輸受損,60-142基座號本公司默認發速爾快遞,142以上基座號或者50KG均發佳吉快運,德邦物流,客戶收貨請注意查收物件外觀有無人為損壞,且核對物件數量,一旦簽收,因物流導致損壞的可直接拒絕簽收,或者聯系本公司,一旦簽收,除質量問題外,其他問題本店鋪一概不受理.






上海漣恒精密機械有限公司是中國專業從事精密傳動設備的大型研發、制造、銷售的高科技企業。目前公司主要產品有:精密行星減速機、精密伺服減速機、精密蝸輪減速機、精密螺旋升降機、精密齒輪減速機等五大系列產品,產品已銷往全球20多個國家。